產品特點/Product features-----------------------------------------------------------◆◆
概述
電容式智能壓力變送器是以微處理器為核心的壓力測量儀表,借鑒國外先進技術,采用優質的
進口零部件及先進的設計原理,利用微處理器技術進行溫度特性和非線性補償,從而提高儀表的測
量精度,改善其溫度特性,具有長期穩定好,可靠性高等特點。產品廣泛用于石油、化工、紙漿、
造紙、城市煤氣、鋼鐵、機械、造船等工業領域。
技術參數/Technical parameters-------------------------------------------------------◆◆
技術參數
| ■ 精度高、穩定性好; ■ 量程、零點外部連續可調; ■ 抗射頻及電磁干擾; ■ 單向過載保護性好; ■ 防爆結構,全天候使用; ■ 智能HART現場總線協議。 | |
| 測量介質 | 液體、氣體 |
| 測量范圍 | 量程4 0-6.2~37.4kPa |
| 量程6 0-117~690kPa | |
| 量程8 0-1170~6890kPa | |
| 量程0 0-6890~41370kPa | |
| 信號輸出 | 4~20mA 4~20mA疊加HART |
| 穩定性 | 六個月±0.1 URL |
| 儲存溫度 | -40~+100℃(不帶液晶表頭) -40~+70℃(帶液晶表頭) |
| 環境溫度 | -0~-100%相對濕度 |
| 電源影響 | 小于輸出量程的0.0059%/V |
| 振動影響 | 在任意軸向上200Hz下振動影響為±0.05%URL/g |
| 安裝位置影響 | 零點漂移最大為±0.25kPa,所有零點漂移都可校正;對量程封鎖影響 |
| 零點與量程 | 可用本機量程和零點按鈕調整,或用HART手持器遠程調整 |
| 阻尼時間常數 | 時間常數可調,以0.1秒遞增,由最小至16.0秒 |
| 防護等級 | IP65 |
接線指南/Wiring guide-----------------------------------------------------------------◆◆
接線示意圖


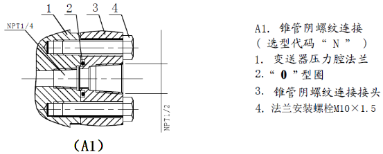
注:引壓連接頭如下










